Broadband frequency range: 0.1 to 6.0 GHz
Low insertion loss: 0.89dB typical @ 6GHz
High isolation: 23dB typical @ 6GHz
High power handling capability of up to 40dBm
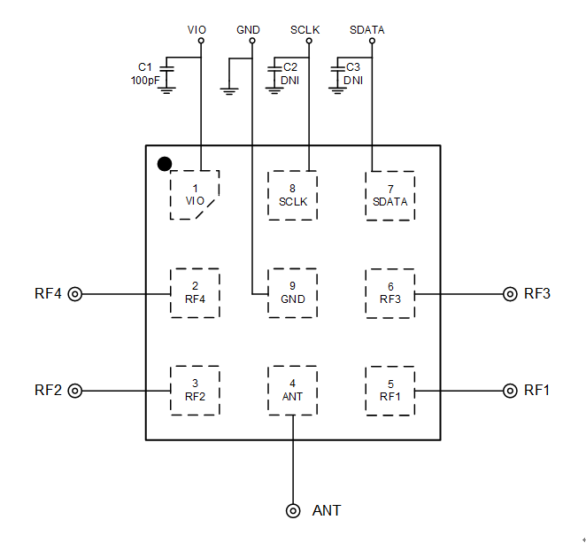
MIPI RFFE V2.1 compatible Interface
50-Ohm termination enabling at isolation mode
FCLGA 1.1mm X1.1mm X0.47mm-9L package

|
Type
|
Title
|
Date | |||
|---|---|---|---|---|---|
| Datasheet | DS_AW13504FLR_EN_V1.6 | 2023-06-06 |