| Channel |
9 |
| Global Current Level |
1 |
| Current Levels for Color-Mixing |
256 |
| Current Levels for Dimming |
256 |
| Charging Indicator |
NO |
| Control Interface |
IIC |
| Power Supply (Max) (V) |
5.5 |
| Global Max Current(mA) |
25.5 |
| IO Level (V) |
1.2
1.8
3.3 |
| Audio Sync. |
NO |
| Power Supply (Min) (V) |
2.7 |
| Auto Breath |
YES |
| Temperature |
-40℃~105℃ |
| Topology |
Charger pump |
| Package (mm) |
FOWLP 2.26X2.26-25B |
1.Power Supply Voltage Range: 2.7V to 5.5V
2.Operating Temperature Range: -40°C to 105°C
3.9 Independent Programmable LED Channels
4.Each Channel Supports an 8-Bit Current Setting, with a Maximum Output Current of 25.5mA
5.Each Channel Features 12-Bit PWM Control Resolution
6.High-efficiency Adaptive Charge Pump (1x/1.5x) with Efficiency up to 94%
7.Charge Pump Incorporates Soft Start, Overcurrent, and Short-Circuit Protection
8.LED Driver Efficiency Reaches up to 93%
9.Integrated Open-Circuit, Short-Circuit, and Voltage Error Detection
10.Automatic Power-Saving Mode
11.Three Independent Program Execution Engines
12.Large SRAM Program Memory
13.I2C interface
14.Supports Cascading Applications
15.Low-level external trigger function
16.AW21209FOR package: FOWLP 2.26X2.26-25B
17.AW21209QNR package: QFN 4X4-24L
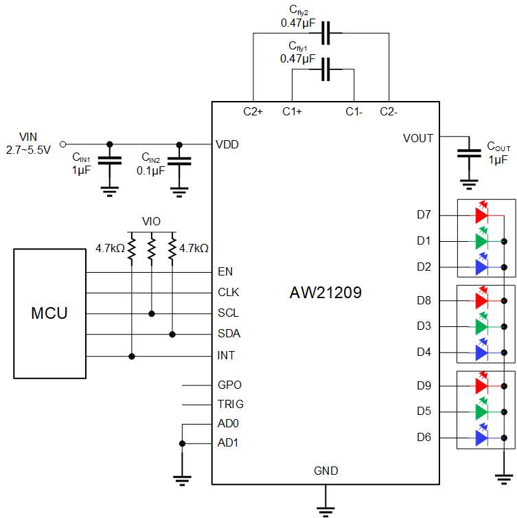
AW21209 is a programmable 9-channel LED driver specifically designed for mobile devices. It features an internal program memory that enables it to operate independently without the need for an external processor and generate the desired lighting effects. There are two products in total: AW21209FOR and AW21209QNR. Since the AW21209QNR has no GPO pins, all control logic related to GPO (such as the GPO bit in the IO_CTRL register and the mapping function of GPO in the LED mapping instruction) is not applicable.
AW21209 is equipped with an efficient charge pump that can drive LEDs across the entire voltage range of lithium-ion batteries and automatically selects the optimal charge pump gain to meet the forward voltage requirements of the LEDs, ensuring high efficiency over a wide operating voltage range. When the LEDs are not activated, the AW21209 automatically enters a power-saving mode, significantly reducing current consumption in idle states.
AW21209 features a control interface compatible with the I2C protocol and supports four different address selections, facilitating system integration. The TRIG pin can trigger the operation of light effects and synchronize multiple devices. The INT pin can send an interrupt signal to the processor after the lighting sequence is completed. The GPO pin can be used as a digital control pin for other devices.