With the rapid adoption of USB Type-C interfaces in smartphones, tablets, laptops, and various smart devices, the Type-C port has become one of the most frequently used components and the most susceptible to environmental influences. Compared to traditional interfaces, Type-C offers significant advantages in charging, data transmission, and video output. However, its structure is more intricate, and its usage scenarios are increasingly complex.
In daily use, users often connect their devices in various environments—such as rainy conditions, humid settings, during exercise, or even in regions with high temperatures and humidity. Once moisture or liquid enters the Type-C port, it can alter the electrical characteristics of the interface, leading to abnormal behavior. In mild cases, this may result in charging failures or unstable communication; in severe cases, it can cause short circuits or even permanent damage to the port.
I. Industry Pain Point & Awinic's Solution
To address this common industry challenge, Awinic has developed a smart protection technology system focused on Type-C interface reliability—the C-Shielding™ technology.
In C-Shielding, the "C" stands for Connect Compact, symbolizing the use of compact and efficient port detection and protection mechanisms to build a robust and reliable shield for the Type-C interface. By intelligently detecting environmental changes around the port and proactively protecting it, C-Shielding™ technology significantly enhances the stability and reliability of Type-C interfaces in complex environments.
Moisture detection chips assess the presence of moisture or liquid ingress by monitoring changes in the port's electrical characteristics in real time. Common detection mechanisms include:
Static
Impedance Detection:
This method measures the equivalent impedance of the port pins. When moisture
appears in the interface, the impedance between electrodes decreases. This
approach typically uses an ADC circuit to sample the static equivalent
impedance of the target port and relies on the system to identify abnormal
impedance values, thereby detecting liquid ingress.
Dynamic
Capacitance Analysis:
This technique uses the port's response to AC detection signals to infer
changes in pin capacitance. By dynamically analyzing capacitance variations in
the target port, this method can identify moisture intrusion.
II. Awinic's Solutions
Awinic Electronics offers two moisture detection solutions based on distinct technical approaches for different application scenarios:
Solution 1: AW35615 – CC Port Solution Based on PD PHY
Awinic's second-generation PD PHY chip addresses two common pain points prevalent in current client applications: electrochemical corrosion in DRP mode and liquid ingress detection.
Electrochemical corrosion in ports is a widespread issue in DRP (Dual Role Port) applications such as smartphones, tablets, and laptops—where the port handles both charging and discharging. This occurs because DRP ports need to detect the insertion of Source or Sink devices, requiring them to operate in toggle mode. According to the USB Type-C specification, the CC pins on the port periodically carry one of the currents listed in the table below. This repeated charge migration leads to electrochemical corrosion, and when combined with moisture ingress, the corrosion rate accelerates significantly.

Table 1: Current Levels by Gear
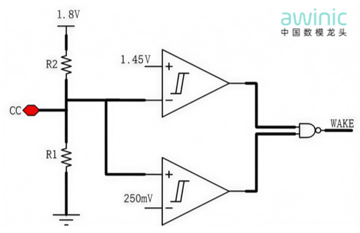
Against this backdrop, Awinic's AW35615 series chips introduce Wake mode, enabling device insertion detection without the need for toggling (while also reducing the chip's static power consumption). Customers can configure the chip to enter Wake mode. When an external device is plugged into the port, the system receives a Wake mode interrupt and then activates toggle mode to further determine the type of device inserted. This implementation can be simplified as follows:

Figure 1: Wake Mode Diagram
When the chip is configured to enter Wake mode, it enables internal mega-ohm level pull-up/pull-down resistors, maintaining the CC pin voltage at approximately 0.9V with nA-level current. This significantly slows down the rate of electrochemical corrosion on the port. When a device is plugged in or moisture intrusion occurs, this voltage balance is disrupted, triggering a WAKE interrupt and transitioning the system into moisture detection and toggle mode.
Awinic's PD PHY series chips feature a patent-protected hardware moisture detection circuit integrated into the toggle process. The principle is explained in conjunction with the diagram below:

Figure 2: CC Pin Toggle Diagram

Figure 3: CC Pin Waveform Analysis Model Diagram After Moisture Intrusion
As shown in the figure, after moisture intrusion, the rising edge of the CC pin voltage becomes abnormally slow due to the presence of a parasitic low-pass filter. By setting parameters such as the target CC pin VOL level and the time required to reach the target level, the sensitivity of moisture intrusion detection can be flexibly controlled. A typical application block diagram is shown below:

Figure 4: AW35615 Typical Application Block Diagram
Key Specifications:
Solution 2: AW35613 Series – PD Controller-Based Port Protocol Solution
For applications such as laptops that use a PD Controller as the port protocol solution—where CC pin ESD protection and moisture detection are critical—Awinic introduces the AW35613 series. This product line offers excellent ESD and surge protection capabilities while integrating moisture detection functionality. It also addresses electrochemical corrosion issues caused by the port being in long-term toggle mode. The simplified implementation principle is as follows:

Figure 5: AW35613 Moisture Detection Principle Illustration
When the port is configured in DRP mode, the AW35613 continuously monitors the CC pin voltage on the PD Controller side. It turns off the MPASS transistor and uses an internal current mirror of approximately 2μA to act on the port's CC pin, thereby detecting device insertion events.
At the same time, this significantly reduces the rate of electrochemical corrosion on the port in toggle mode. When the port voltage changes, the chip's internal monitor logic circuit uses built-in timing logic to detect the equivalent AC impedance or capacitance on the CC pin, thereby distinguishing between normal device insertion and moisture intrusion. Based on this detection, it either opens the MPASS to proceed with subsequent protocol communication or issues an NFLT indication to notify the system of a liquid ingress event. A typical application block diagram for the AW35613 is shown below:

Figure 6: AW35613 Typical Application Block Diagram
Key Specifications:
III. System Design and Optimization Considerations
In overall system design, the moisture detection chip typically works in coordination with components such as the AP controller, PD Controller, OVP chip, and MOSFET. Awinic recommends paying attention to the following key points during design:
🎯 Detection Pin Selection: Based on the port pin layout, prioritize CC pins close to VBUS.
⚖️ Sensitivity Calibration: Ensure no false triggering occurs in high-humidity environments.
🔄 Closed-Loop Protection Chain: The detection → power-off → recovery path must be complete and reliable.
⚡ Low-Power Control: Keep standby current at the μA level to extend battery life