From March 25 to 27, 2026, the 21st Automotive Lighting Industry Development Technology Forum and Shanghai International Automotive Lighting Exhibition (ALE) grandly opened at the Huaqiao International Expo Center in Kunshan.
At this ALE exhibition, AWINIC, with "intelligent interaction" as its core focus, unveiled a comprehensive set of automotive ambient lighting solutions covering multiple scenarios within the vehicle. Whether it's the highly anticipated ambient lighting effect seen in the Zunjie model or the industry-leading AI emotional interaction and dynamic light-shadow synchronization technology, these solutions precisely meet the evolving demands of new energy vehicles. They provide one-stop technical support for automakers and Tier 1 suppliers, effectively addressing the industry's challenge of upgrading automotive lighting from a "decorative function" to "emotional interaction."
I. AWINIC Debut | AI Emotional Ambient Lighting: Where Light, Shadow, and Rhythm Coexist, Unlocking an Immersive Interactive Experience
As the main highlight of this ALE exhibition, AWINIC's AI Emotional Ambient Lighting solution breaks the traditional limitations of fixed ambient lighting by integrating "emotional perception" into light design, drawing significant attention from numerous automakers on site. Unlike traditional ambient lighting that requires manual setting of fixed colors, this solution incorporates advanced AI music style recognition technology. It can analyze the mood of music in real time (such as exciting, calm, sad, etc.). Combined with human psychoacoustics and color fusion algorithms, it generates real-time colors that closely match the song's emotion. This allows the cockpit lighting to pulse in sync with the melody, achieving precise audio-visual synchronization with a low latency of just 30ms, transforming the cockpit into an exclusive private live house.

Figure 1 System Block Diagram
In the video, it can be clearly observed that when the music tempo accelerates, the system accurately identifies the (exhilarating/excited) emotion. The background color smoothly transitions from blue to red. When the mood becomes calm, the background color gradually returns to purple or blue. Meanwhile, the matrix light bar intuitively displays the frequency and time-domain information of the music, fully demonstrating the solution's precise analytical capabilities.
The core advantage of this solution lies in its multi-scenario adaptability: when no music is playing, it can automatically analyze the background color of an image to generate a corresponding ambient light. Coupled with a screen color real-time following algorithm, it automatically matches the light effect to the dominant color of the center console screen, ensuring a highly uniform interior color scheme throughout the vehicle. Additionally, the solution features a lighting effect system comprising 8 basic modes and 8 extended modes, supporting fully customizable functions. It can automatically switch lighting effects based on the time of day or solar terms, upgrading the cockpit lighting into an emotional interaction medium that is "warm, emotional, and atmospheric," perfectly aligning with the industry's core development pursuit of "emotional interaction."
The image below demonstrates the background adaptation feature:

Figure 2 Original Image | Display Effect After Analysis

Figure 3 Original Image | Display Effect After Analysis

Figure 4 Original Image | Display Effect After Analysis
By comparing the original image with the actual in-vehicle display effect, it is evident that the system can accurately analyze the dominant theme color of the image and transform it into an emotional expression of ambient lighting within the car, achieving a precise visual echo between the vehicle interior and the image. The starry sky roof, door handle ambient lighting, and footwell ambient lighting synchronize in unison, creating a delicate color coordination between the space and the image, further enhancing the immersive atmosphere of the vehicle and providing passengers with a ride environment that combines a sense of ceremony with a rich ambiance.
II. Dynamic Solutions | Armrest & Speaker Ambient Lighting: Refined Texture in Every Detail, Intelligent Interaction Through Synchronization
Focusing on dynamic light-and-shadow interaction scenarios within the vehicle, AWINIC introduces ambient lighting solutions for armrests and speakers. These solutions highlight the cockpit's texture through meticulous design and enhance the driving experience through intelligent synchronization. The specific scenario solutions are as follows:
1. Side Door Ambient Lighting:
Adopting an innovative "light source projection + reflection" design, this solution effectively avoids the harshness of direct light, resulting in a softer, more layered illumination that creates an enveloping cockpit atmosphere. It also supports music rhythm color-changing functionality, capable of capturing the music tempo in real time and synchronously switching colors and brightness, transforming the auditory experience into a visual interaction for an immersive driving experience.
Figure 5 Automotive Armrest Solution Display
2. Speaker Ambient Lighting:
Breaking the conventional notion that "speakers are only responsible for sound," this solution cleverly integrates ambient lighting with the speaker body. It not only enriches the visual layers of the cockpit but also transforms the once understated speaker into a visual highlight, directly enhancing the refinement of the interior and the premium feel of the vehicle.

Figure 6 Automotive Speaker Ambient Lighting Solution Display
For the two scenarios mentioned above, AWINIC provides two core technology support solutions that can precisely adapt to the needs of different vehicle models and applications.
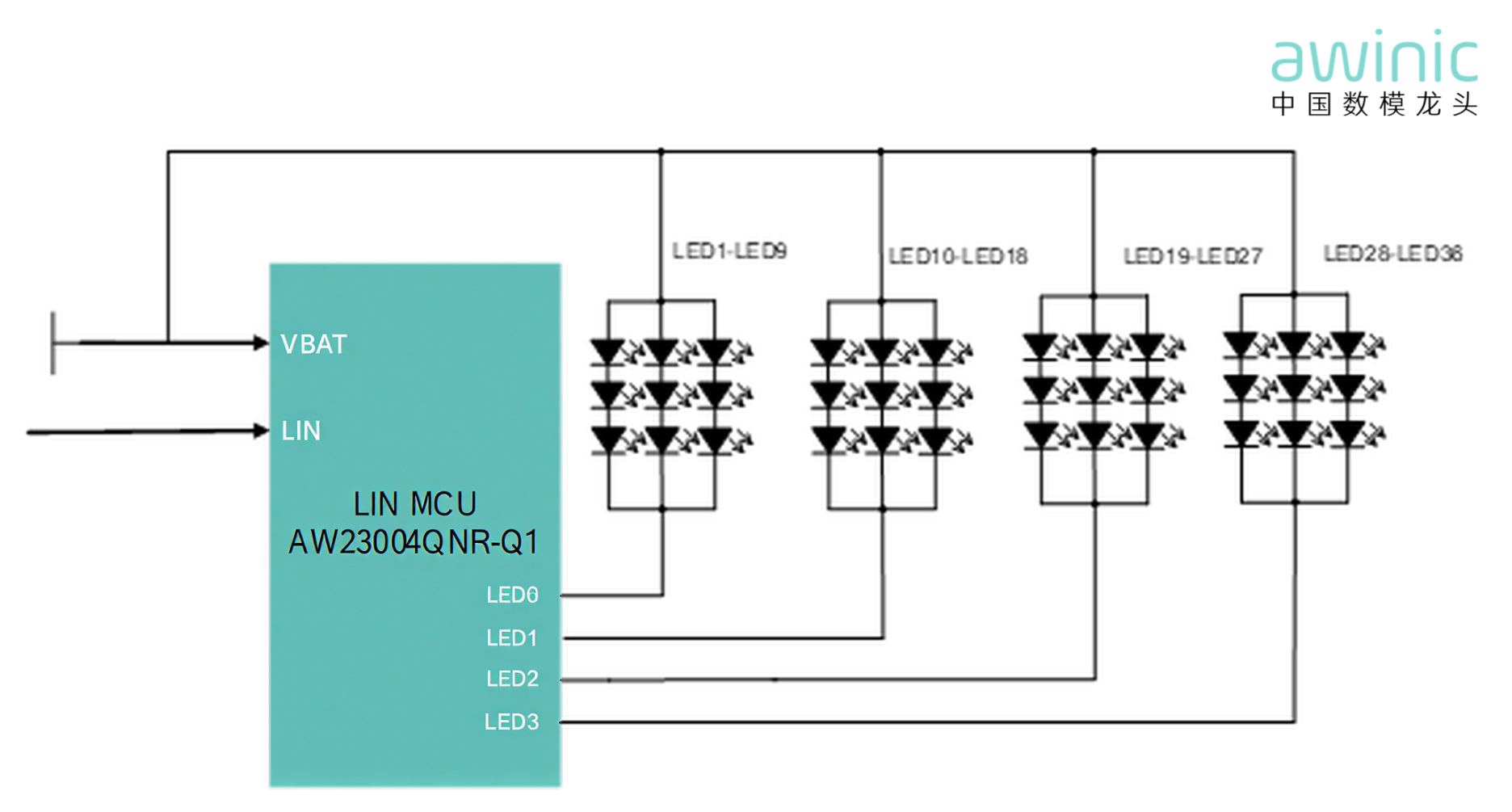
Single-Channel LIN Solution
With a maximum driving capability of 60mA per channel, this solution supports time-division multiplexing and offers core advantages including low EMI, no audible noise, and low temperature rise. It has passed AEC-Q100 Grade 1 and multiple other automotive-grade certifications. A complete SDK is provided, including temperature compensation and color calibration functions, which effectively simplifies the development process and reduces development costs. This solution is well-suited for single-light applications such as side doors and center consoles.

Figure 7 Single-Channel LIN Solution
Dynamic Ambient Lighting Solution
Supports LIN communication and enables the combination of multiple LED drivers for coordinated display. The AW21036QPY-Q1 single chip can drive up to 12 RGB LEDs, and a single I²C bus can support up to 48 RGB LEDs, with each LED supporting a maximum drive current of 50mA. The overall solution features low EMI and no audible noise. It also provides sound-to-light rhythm algorithms, temperature compensation, and color calibration algorithms.

Figure 8 Dynamic Ambient Lighting Solution
III. Static Solutions | Logo Light + Crystal Door Handle Light + Welcome Light: Multi-Dimensional Synchronization for Maximum Ceremony
The sense of ceremony in automotive lighting lies in every meticulous detail. At this ALE exhibition, AWINIC showcased its solutions for Logo lights, crystal door handle lights, and footwell welcome lights. Featuring a multi-dimensional light-synchronization design, these solutions enhance the refined texture of the cockpit, delivering a dual upgrade in both ceremonial appeal and practicality.

Figure 9 Logo Light Solution Display

Figure 10 Crystal Door Handle Light Solution Display

Figure 11 AWINIC Recommended Solution
AWINIC has launched a dedicated solution tailored for the scenarios mentioned above, utilizing the AW23004QNR-Q1 chip. With a maximum driving capability of 60mA per channel, it can drive up to three LEDs in series in a 12V power supply scenario (adjustable based on the LED forward voltage). The solution adopts a "3-series, 3-parallel" topology: the series configuration ensures current consistency, while the parallel configuration achieves current distribution, stabilizing the operating current of each LED at 20mA—striking a balance between brightness and power consumption.
This solution offers high flexibility. By adjusting the series-parallel combinations of the LEDs, the number of LEDs can be expanded to meet richer lighting effect requirements. It is widely applicable to monochrome, high-current application scenarios such as logo lights and welcome footwell lights, ensuring a ceremonial experience for every entry and exit, and creating exclusive light signatures for premium vehicles.
IV. Technical Support | Full Series of Breathing Light Driver Chips, Reinforcing Solution Reliability
As a leading enterprise in the analog and mixed-signal field in China, AWINIC boasts a comprehensive family of breathing light driver chips. At this ALE exhibition, AWINIC showcased its full range of automotive-grade driver chips, providing solid technical support for various automotive ambient lighting solutions. Whether for 3-channel or 216-channel LED configurations, this series of chips consistently maintains excellent noise reduction performance, meeting the requirements of diverse design scenarios. Additionally, all chips are automotive-grade certified, fully aligning with the core demands of high reliability and high stability in automotive electronics.
To facilitate precise component selection for industry peers and effectively address chip adaptation challenges during solution implementation, a product selection guide is provided below for reference:

Figure 12 AWINIC Product Selection Guide
The successful conclusion of this ALE exhibition provided AWINIC with an important platform to showcase technological achievements and connect with industry resources. Through this exhibition, AWINIC not only comprehensively demonstrated the innovative achievements of its full-scenario automotive lighting solutions but also conveyed its firm commitment to empowering the high-quality development of the automotive industry with domestically manufactured chips.
Currently, AWINIC's automotive lighting solutions have been widely adopted by major domestic automakers such as BYD, HarmonyOS Intelligent Mobility (HIMA), and Xiaomi, as well as leading Tier 1 suppliers. Several core products have been included in the 2025 China Automotive Chip Supply Handbook. Looking ahead, AWINIC will continue to deeply cultivate the automotive electronics sector, develop even more competitive "Made in China" chip solutions, propel the intelligent automotive lighting industry into a new stage of emotional and intelligent development, and help China's automotive industry achieve a transformative leap forward in the global wave of intelligentization.