With the widespread adoption of smart devices, Global Navigation Satellite Systems (GNSS) have become an "essential feature" for various terminals. The realization of high-precision positioning relies on a core component—the GNSS Low-Noise Amplifier (LNA). When satellite signals travel from 20,000 kilometers in space to the ground, their power drops below -130dBm, making them highly susceptible to being drowned out by system noise, which can lead to positioning failure. The key role of the GNSS LNA is to overcome this technical bottleneck: it amplifies weak signals to a level that can be processed by the platform system while optimizing the system's signal-to-noise ratio. By placing the GNSS LNA close to the antenna, signal transmission loss and noise interference can be reduced. As the first-stage device at the receiving end, its noise characteristics directly determine the positioning accuracy of the entire device.
Awinic's All-Scenario GNSS LNA Solutions
As a leader in analog and mixed-signal semiconductors, Awinic has deeply engaged into the GNSS LNA field, offering products that cover a wide range of scenarios, including professional high-precision equipment, consumer-grade smart terminals (smartphones/wearables), industrial applications, and automotive transportation. Key highlights include:
· Ultra-Low Noise: High-end models feature a noise figure as low as 0.5dB, significantly improving positioning accuracy in complex environments.
· Multi-Band Compatibility: Single devices support L1/L2/L5 multi-band frequencies, simplifying front-end design.
· All-Scenario Adaptation: From ultra-low power consumption of 1.2mA (for wearables) to automotive-grade certified models (for in-vehicle scenarios), the solutions cater to diverse requirements.
Before introducing the application solutions, let's briefly outline the four key indicators for evaluating LNA performance.
Noise Figure: The "Goalkeeper" of Sensitivity
Noise Figure is a core performance metric for LNA, directly determining receiver sensitivity. Awinic's GNSS LNAs achieve industry-leading noise figure performance: the AW15345DNR and AW15045FDR models can reach as low as 0.50dB, effectively enhancing GNSS positioning accuracy and speed.

Table 1: Key Specifications of AW15345DNR and AW15045FDR
Gain: The "Regulator" of Amplification Capability
The gain parameter requires careful balancing, as both excessively high and insufficient gain can affect system performance, depending on the platform's demodulation capability.
Design Considerations:
· Excessively high gain: May cause saturation in subsequent circuits, leading to nonlinear distortion.
· Insufficient gain: Fails to effectively enhance signal strength, making it difficult to overcome noise impacts from subsequent circuits.
To meet the typical gain requirement of approximately 18dB for eLNA in devices such as smartphones and wearables, Awinic's GNSS LNA provide precise gain performance. If higher gain is needed for specific scenarios, it can be achieved by cascading GNSS LNA.
Linearity: The "Firewall" Against Interference
Linearity specifications primarily include IP3 (Third-Order Intercept Point) and P1dB (1dB Compression Point), which determine the LNA's ability to resist interference.
Key Parameters:
· IP3 (Third-Order Intercept Point): > -10dBm, effectively resisting adjacent channel interference.
· P1dB (1dB Compression Point): > -20dBm, ensuring no saturation under strong signal conditions.
Awinic's GNSS LNA model AW15745DNR achieves industry-leading linearity performance, with a P1dB of -2.5dBm and an IIP3 of up to 3.3dBm. This exceptional linearity effectively resolves coexistence issues between cellular and GNSS signals in smartphones, as well as mutual interference problems in multi-mode navigation scenarios.

Table 2: Key Specifications of AW15745DNR
Power Consumption: The "Meter" of Energy Usage
Awinic has mass-produced a series of GNSS LNA products with multiple power consumption levels, comprehensively covering the differentiated needs of various industries. The core model, AW15085DNR, achieves industry-leading ultra-low power consumption of 1.2mA, while also offering options such as 2.4mA and 4mA across multiple product tiers.
For wearable devices, low-power models with power consumption below 4mA are preferred, while smartphone products can flexibly adapt to models around 6mA.

Table 3: Key Specifications of LNA with Different Power Consumption Levels
Below is a detailed explanation of typical application solution diagrams across various fields:
GNSS Circuit
Block Diagram for Smartphones/Children's Watches/Bands
Using Qualcomm & MediaTek Platforms as an Example:

Figure 4: GNSS Circuit Application Solution Diagram for Smart Terminals
1. Figure 4 shows a typical GNSS circuit application block diagram for smart terminals. Apart from platform differences, the front-end design for wearables is largely consistent with that of smartphones. The signal chain is: ANT → Pre SAW → GNSS LNA → Post SAW → TR. The Post SAW is a compatibility design, typically essential for Qualcomm platforms. Due to the long trace from the antenna to the RF TR, which can easily introduce out-of-band interference, it needs to be placed close to the platform end. For MediaTek platforms, the Post SAW is a compatibility design and is only used when out-of-band interference exists.
2. Antenna Design Solutions: The L1 antenna is usually shared with Wi-Fi 2.4G/5G. The L5 antenna can either use an independent solution or be shared with MIMO Wi-Fi 2.4G/5G or the main RF. The specific approach depends on the PCB layout and antenna environment.
3. B13 Band Interference Protection: If a smartphone supports B13 (787MHz), consideration must be given to its second harmonic interfering with GPS. Protection measures include:
· Ensuring isolation between the B13 second harmonic and the GPS antenna.
· Selecting a Pre-SAW filter with high out-of-band rejection.
· Reserving an LC circuit at the B13-PA output for second harmonic attenuation.
· Reserving an LC circuit after the GPS antenna for harmonic attenuation. The recommended circuit is shown in Figure 5

Figure5: 787MHz Notch Filter
Low Insertion Loss Notch Network
Recommended BOM: L4:15nH, C4:2.7pF, C5:7.5pF, C6:7.5pF
The insertion loss of this network is approximately 0.2dB, with a rejection level of about 10dB at 787MHz.
We recommend placing this HPF (High-Pass Filter) at the input of the Pre-SAW filter.
Therefore, this network does not require additional matching components; only fine-tuning of C5/C6 based on actual conditions is needed.
GNSS Module Circuit Application Block Diagram

Figure 6: GNSS Module Circuit Application Solution Diagram
1. Single LNA Shared Matching Solution: One GNSS LNA simultaneously amplifies L1+L5 signals. The filter in the second stage has poor anti-interference capability, making it suitable for medium-to-low precision positioning scenarios such as shared bicycles, electric vehicles, and logistics tracking.
2. Dual LNA Dual SAW Solution: Two GNSS LNAs are paired with front-end and back-end SAW filters, making it suitable for complex electromagnetic environments such as drones, autonomous vehicles, and automatic lawnmowers.
GNSS Active
Antenna Circuit Application Solutions
The following three design solutions are recommended:

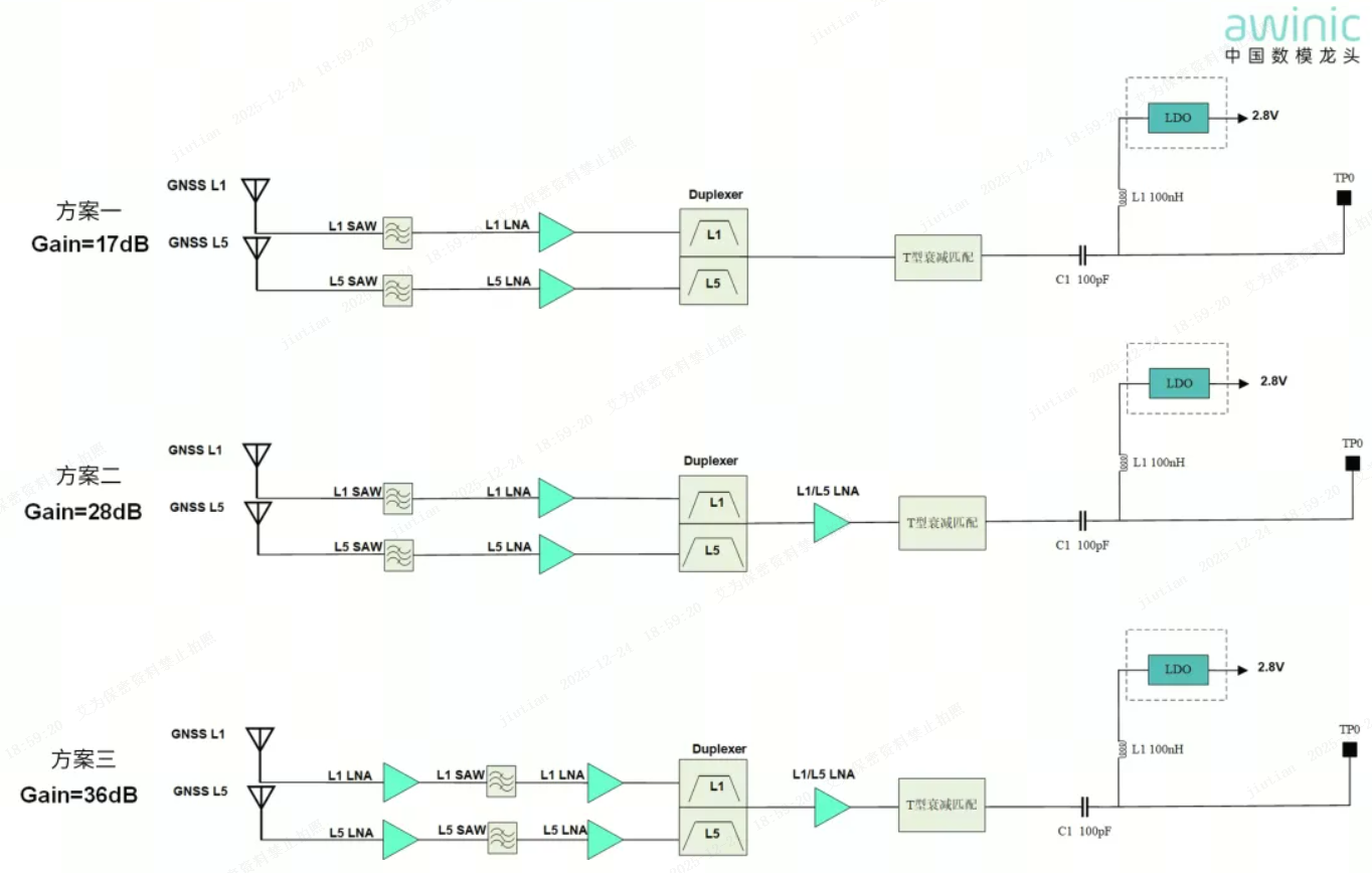
Figure 7: GNSS Active Antenna Circuit Application Solution Diagram
1. GNSS Active Antenna Design: The antenna gain requirements should be determined based on the differences in GNSS module platforms. Common specifications are 17dB, 28dB, and 36dB. To meet these varying gain requirements, the three recommended application solutions above are provided. The positioning of the cascaded LNAs (front or rear) can be adjusted based on actual conditions.
2. Key Points for Front-End Circuit Design: The selection of the first-stage component after the antenna should consider the antenna type. For multi-band integrated antennas (GNSS integrated with Cellular/WiFi), it is recommended to prioritize placing a filter in series to suppress performance degradation caused by out-of-band interference. For external GNSS antennas, due to less out-of-band interference, placing the GNSS LNA first can significantly enhance GNSS signal performance. The LDO in the circuit provides a compatible design for high-voltage platform power supply, delivering the appropriate voltage to the GNSS LNA. Additionally, TP0 is the feed point for connecting the GNSS module, where C1 (100pF) serves to block DC and pass high-frequency signals, while L1 (100nH) functions to block high-frequency signals and pass DC.
3. LNA Selection Recommendations: The first-stage LNA after the antenna can be selected based on requirements, while the final stage should use an L1/L5 combo LNA. Awinic's AW15745DNR requires only one input inductor to achieve simultaneous amplification of dual-band signals. Furthermore, the AWR5005DNR-Q1 has passed the AEC-Q100 automotive certification, offering customers greater flexibility in design and selection.

Table 8: Key Specifications of AW15745DNR & AWR5005DNR-Q1
As the core component determining positioning system performance, the GNSS LNA directly defines the level of positioning accuracy in emerging fields such as autonomous driving and the Internet of Things. Facing continuously rising demands for high performance, scientific selection and optimized design are key to achieving precise positioning. As a leader in analog and mixed-signal semiconductors, Awinic remains committed to technology as its core, deeply engaged and iterating to empower all-scenario applications with even better products. Below is the selection guide for Awinic's full range of GNSS LNA products. Stay tuned for subsequent new products!

Table 9: GNSS LNA Selection Guide