EN
Home > Technology & support > Technical article >

【New Product Launch】Awinic launches a new generation of integrated 8KV ESD capable high bandwidth USB2 protection switch!

2026-02-11


Type-C interface is a new type of data transmission and charging interface that has gradually become popular in recent years. It has multiple advantages, such as reversible plugging, support for high-speed transmission and fast charging, smaller size, and easier integration. These advantages have gradually replaced traditional USB interfaces and other interfaces with Type-C interfaces, becoming a standard configuration for more and more devices.  


However, the Type-C interface design also faces some connection reliability challenges due to the inherent characteristics of its connector physical size, interface definition, and electrical characteristics! 


Figure 1 Definition of Type-C Interface


1. The pin spacing of the Type-C interface is small, and in the event of a plugging or unplugging event, there may be abnormal impacts such as ESD and surges, causing current failure in the system's related connections and resulting in system abnormalities


2. The pin spacing of Type-C interface is small, and after long-term use, dust accumulation can cause a risk of short circuit between USB2.0 DPDM signal and VBUS or GND during severe temperature and humidity changes or mechanical vibrations, leading to functional abnormalities and even damage to downstream circuit components


Therefore, when designing interface circuits ESD, surge, and high voltage protection risks need to be considered. Digital model leader Awinic ElectronicsThe AWP35631 and AWP35752D series products have been integrated 8KV contact ESD protection function, surge protection function above 40V, and fast overvoltage protection capability, Provide stable and reliable protection for USB2 signals of smartphones, smart payment devices, wearable devices, and other devices.



Product advantages


1. High robustness, providing stable and reliable protection


Can withstand 8kV contact ESD

A+50V surge occurs, and the signal output voltage clamp is below 6.6V within 500ns, which can protect the subsequent circuit from surge damage

 

Figure 2: High Robustness


2. High bandwidth ensures signal integrity


When most products on the market rely on increasing chip area to improve ESD and surge capabilities, it will inevitably cause the input port Con/RON to be too large, resulting in excessive insertion loss of USB2 in high-speed mode, causing communication packet loss throughout the entire link and a decrease in data transmission reliability. Based on years of technical accumulation in USB2 protection switches, the leading digital and analog technology company, Awinic Electronics, Still able to ensure bandwidth 1.4G@-3dB Ensure the signal integrity of the entire channel.


 

Figure 3 High bandwidth characteristics


3. Miniaturization packaging


Smartphones, especially foldable screen phones, are becoming thinner and thinner, and smart wearables also have strict requirements for chip packaging size. Therefore, small size and thin thickness packaging are very important for products AWP35631FDR leads the industry with its DFN1.5 * 1.0 * 0.55mm size.

 

Table 1 Packaging Comparison


Product Introduction


§ USB 2.0 Hi-speed D-SPST switch

§ Typical -3dB bandwidth: 1.2GHz(Single-ended)

1.4GHz(Differential)

§ Over voltage protection: 5.1V typical

§ 36V DC protection on D+ and D- Ports

§ +50V surge protection on D+ and D-

§ Supply voltage range: 1.65V to 5.5V

§ 3Ω switch on-resistance typical

§ CON: 4pF typical

§ ICC: 32μA typical

§ FCDFN 1.5mm X1.0mm -6L package

 

Figure 4 AWP35631 Package Information Top View


 

Figure 5 AWP35752D Packaging Information Top View


 

Figure 6 Typical Application Block Diagram of AWP35631


 

Figure 7 Typical Application Block Diagram of AWP35752D


Typical application scenarios


1. Smartphone/Tablet


The Type-C interface has fast charging, digital earphones, and DP screen mirroring functions. Mid to high end mobile phone digital earphones are gradually replacing analog earphones. The AWP35631FDR+AW35752AQNR product combination from Awinic Electronics achieves DPDM protection for mobile phones and tablets, as well as SBU protection and polarity switching for DP screen mirroring


 

Figure 8 Recommended Application Scenario 1


2. Smart payment devices/tablets


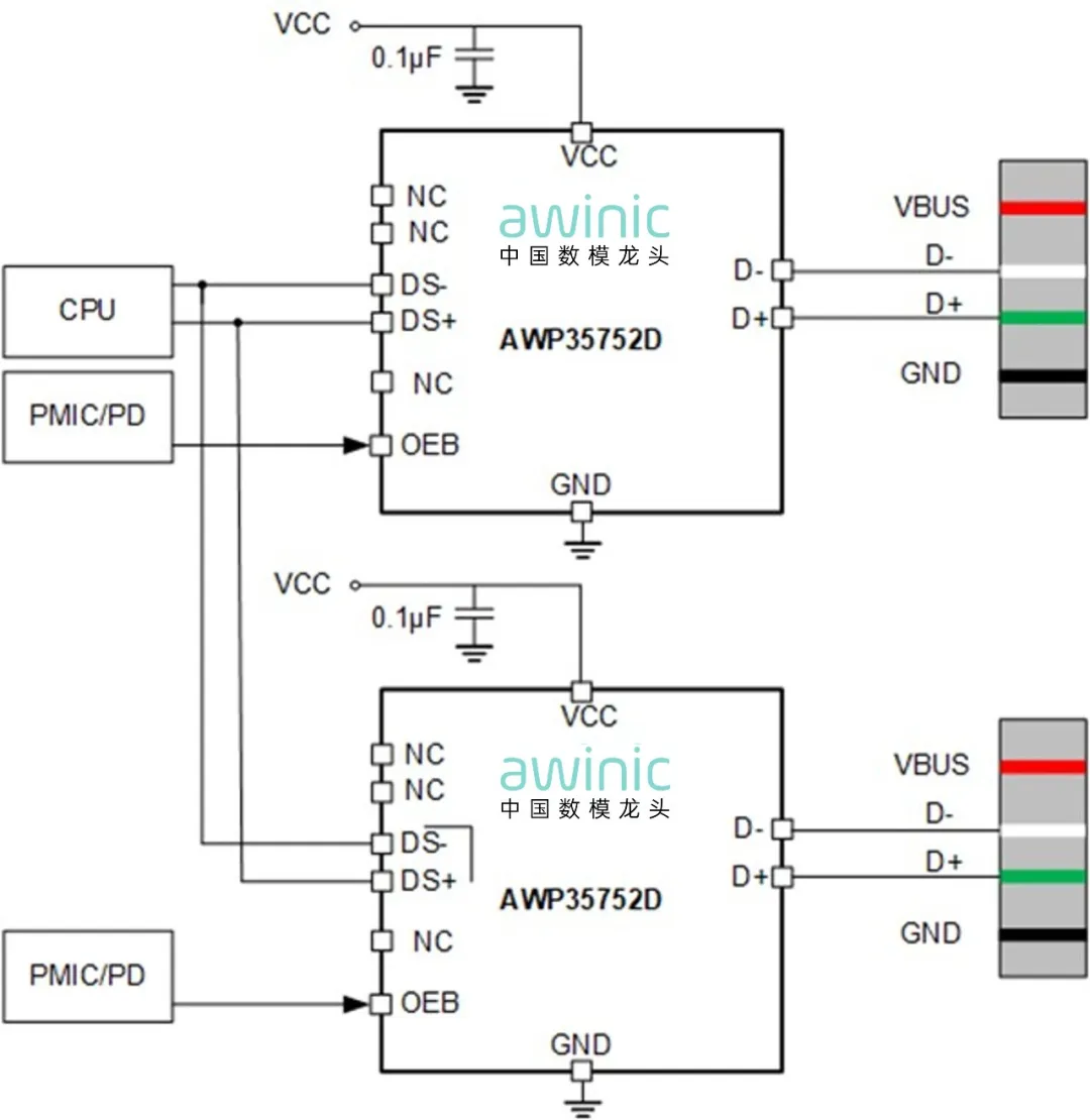
The system has dual C-ports, or a single C-port+logo pin, or a single C-port+base application. When the device platform main control only has one USB2 interface and the device requires two USB2 interfaces for external use, two AWP35752DQNRs can be used. The two input ports have high voltage protection, and the output ports are connected in parallel to the main control USB2 port. The OEB pin controls the two AWP35752Ds to switch between Port 1 and Port 2.


 

 Figure 9 Recommended Application Scenario 2


3. Industry PC, tablet, and dedicated PDA data isolation


The party, government, finance, and enterprises have high requirements for data security. USB2 signal materials need to be physically isolated, and AWP35752D can be used to control the OEB pin to disconnect the USB2 channel physical connection, achieving hardware level data security.


 

Figure 10 Recommended Application Scenario 3


Product Selection Sheet


USB2 SPDT protection switch

 

Table 2 Selection Table of USB2 SPDT Protection Switches


USB2 SPST protection switch

 

Table 3 Selection Table of USB2 SPDT Protection Switches