随着 USB Type-C 接口在智能手机、平板电脑、笔记本电脑以及各类智能终端中的快速普及,Type-C 接口已经成为设备中最常使用、也是最容易受到环境影响的关键部件之一。相比传统接口,Type-C 在充电、数据传输和视频传输等方面都具备显著优势,但与此同时,其接口结构更为精密,使用场景也更加复杂。
在日常使用过程中,用户往往会在各种环境中连接设备,例如雨天、潮湿环境、运动场景甚至高温高湿地区。水汽或液体一旦进入 Type-C 接口内部,可能会改变端口电气特性,从而导致接口异常,轻则出现充电失败、通信不稳定等问题,重则可能引发短路甚至接口损坏。
一、行业痛点&艾为方案
针对这一行业普遍存在的痛点,艾为提出了一套面向 Type-C 接口可靠性的智能防护技术体系—— C-Shielding™ 技术。
其中 C-Shielding中的 “C” 代表 Connect Compact,寓意通过紧凑而高效的接口检测与保护机制,为 Type-C 接口构建一层 坚固可靠的防护盾(Shielding)。通过智能检测接口环境变化并进行主动防护,C-Shielding™ 技术能够显著提升 Type-C 接口在复杂环境下的稳定性与可靠性。
水汽检测芯片通过实时检测端口电气特性变化,判断是否存在潮湿或液体侵入事件。常见检测机制包括:
静态阻抗检测:
采集端口引脚等效阻抗,当接口中出现水汽时,电极间阻抗下降,该方案通常采用ADC电路采样待检测端口的静态等效阻抗并交与系统层面判别阻抗异常,从而判别进水行为;
动态容抗分析:
利用端口对AC检测信号的反馈来推断引脚的容抗变化,该方案通过动态分析待测端口容抗变化来甄别水汽入侵。
二、艾为方案
艾为电子针对不同应用场景推出两条技术路径的水汽检测解决方案:
方案一 : AW35615基于PD PHY的CC端口解决方案
艾为第二代的PD PHY芯片充分考虑到了目前客户界面普遍存在的两大痛点:DRP模式下的电腐蚀问题和进水检测。
端口的电腐蚀问题在手机、平板、笔电等DRP (既充电又放电) 应用场景中普遍存在,一方面是因为DRP端口需要检测Source or Sink设备插入,需要让自己工作在toggle状态,那么根据Type-c协议规定,端口的CC 引脚上面会周期性存在下表中的一种电流,而这种反复的电荷迁移将会带来电腐蚀问题,且叠加水汽入侵的话腐蚀速度会愈加严重。

表1 各挡位=>各档位
在此背景下,艾为的AW35615系列芯片引入Wake mode,实现了无需toggle即可以判断设备插入的技术(同时降低芯片静态功耗),客户可以配置芯片进入Wake mode,当有外部设备插入端口后,系统读到Wake mode中断再打开toggle mode来进一步判断插入设备的类型,其实现方式可以简化为:

图1 Wake mode 示意图
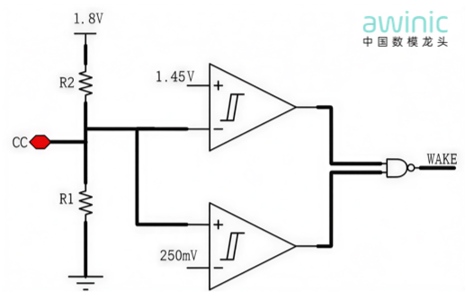
当用户配置芯片进入Wake mode后,将会使能内部兆欧级上/下拉电阻,从而用nA级别电流将端口CC引脚维持在0.9V左右电压,这将极大减缓端口的电腐蚀速度。而当设备插入或者水汽入侵后,将会打破这里的电压平衡进而发出WAKE中断,进入水汽检测和toggle状态。
艾为的PD PHY系列芯片内部集成拥有专利保护的硬件水汽检测电路,并将其融入到toggle过程中,其原理结合下图解释:

图2 CC PIN Toggle 示意图

图3 水汽入侵后CC pin波形分析模型图
可以看到在水汽入侵之后CC端口电平因寄生的低通滤波器存在,上升沿将变得异常缓慢,通过设置目标CC pin VOL电平及到达目标电平所需时间等参数,即可实现对水汽入侵检测灵敏度的灵活控制。其典型应用框图如下所示:

图4 AW35615 典型应用框图
其主要参数为:
支持 USB PD 3.1 28V EPR
更优秀的眼图
CC引脚最高耐压值:32V
拥有通过CTS认证的完整PD协议栈实现(适配从RTOS到Linux各平台应用)
支持1.2V 1.8V IIC通信
支持死电池模式 ,未通电时作为SNK
内置专利保护的LPD硬件算法
支持VBUS检测与放电控制功能,可以避免VBUS电腐蚀老化损耗
支持Wake低功耗检测模式
方案二: AW35613系列基于PD Controller端口协议的解决方案

图5 AW35613 水汽检测原理展示
当端口被配置为DRP 模式后,AW35613将会持续监测连接到PD Controller端的CC端口电平,并关闭MPASS管,使用芯片内部2μA左右电流镜作用于端口CC pin,进而达到探测设备插入事件的作用。
同时这将极大降低toggle状态下的端口电腐蚀速度,当端口电压变化时,芯片内部的monitor逻辑电路将会通过内置的时序逻辑去探测CC端口的等效AC下阻/容抗,进而识别是正常的设备插入还是水汽入侵,并选择打开MPASS进行后续的协议沟通还是给出NFLT指示,告知系统进水事件。AW35615的典型应用框图如下:

图6 AW35613 典型应用框图
其主要参数为:
C_CC1/2 最高耐压 32V
IEC61000-4-2 ESD 等级: 接触±8kV 空气±15kV
IEC61000-4-5 浪涌能力: ±60V
CC1/2 拥有600mA的过电流能力
支持死电池模式
支持水汽检测
CC Ron 小于0.3Ω
C_CC OVP 阈值 5.8V
-3dB 带宽160MHz
在整机设计中,水汽检测芯片通常与 AP控制器、PD Controller、OVP 芯片、MOSFET 等器件协同工作。艾为建议设计时关注以下关键点:
🎯 检测引脚选择:根据端口引脚分布,优选靠近VBUS的CC引脚;
⚖️ 灵敏度调校:确保在高湿环境中不误触发;
🔄 防护链闭环:检测→断电→恢复路径要完整可靠;
⚡ 低功耗控制:待机电流控制在 μA 级,延长续航;
实测表明,这两款芯片可在不改变外观结构的前提下,大幅提升 Type-C 接口在潮湿环境下的可靠性与寿命。
随着 USB Type-C 接口在智能设备中的普及,以及 USB PD 快充功率持续提升,接口可靠性问题越来越受到系统设计工程师的关注。
艾为提出的 C-Shielding™ 技术,通过智能水汽检测、低功耗监测以及系统级保护机制,为 Type-C 接口构建了一套完整的可靠性防护方案。
通过 Connect Compact 的设计理念,C-Shielding™ 技术能够在不改变终端设备结构设计的情况下,为接口增加一层 智能防护盾,有效提升设备在复杂环境中的使用可靠性。
未来,随着智能终端应用场景的不断拓展,类似 C-Shielding™的接口可靠性技术也将成为 Type-C 系统设计的重要组成部分。