本次ALE车展上,艾为电子以“智能交互”为核心导向,带来覆盖车内多场景的车载氛围灯全套解决方案,无论是备受行业关注的尊界同款氛围感呈现,还是行业领先的AI情绪交互、动态光影联动技术,均能精准适配当下新能源汽车的升级需求,为车企及Tier 1供应商提供一站式技术支撑,有效破解车载灯光从“装饰功能”向“情感交互”升级的行业痛点。
作为本次ALE车展的核心吸睛亮点,艾为AI情绪氛围灯方案彻底打破传统氛围灯的固定化局限,将“情绪感知”融入光影设计,受到现场众多车企的高度关注。与传统氛围灯需手动设置固定颜色的模式不同,该方案搭载先进的AI音乐风格识别技术,可实时解析音乐情绪(如激昂、平静、悲伤等),结合人体心理声学与颜色融合算法,拟合出与歌曲情绪高度适配的实时色彩,让座舱灯光随旋律同步律动,实现30ms低延迟的音画精准同步,将座舱打造成专属私人Livehouse。

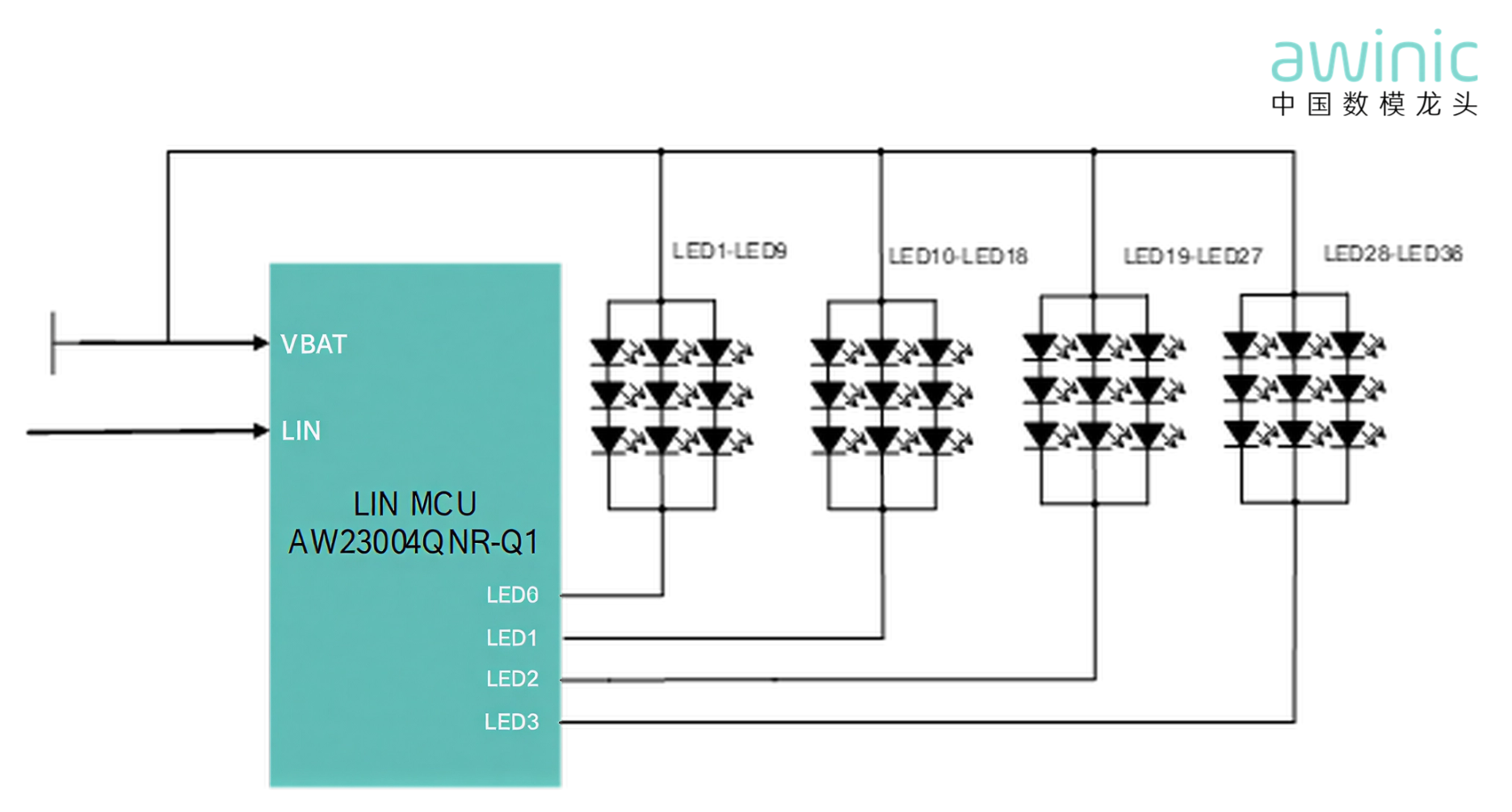
图1 系统方案框图
视频中可清晰观察到:当音乐节奏加快时,系统可精准识别出激昂情绪,背景色彩由蓝色缓缓过渡至红色,当情绪平缓,背景色彩逐渐回归紫色/蓝色;矩阵灯条则直观呈现音乐的频率与时域信息,充分体现方案的精准解析能力。
该方案的核心优势在于多场景适配能力:不播放音乐时,可自动解析图片背景色生成对应氛围光;搭配屏幕色彩实时跟随算法,能根据中控屏主色调自动匹配光影效果,确保整车内饰色调高度统一;同时,方案配备8种基础+8种拓展灯效体系,支持全功能自定义,可根据时段、节气自动切换灯效,将座舱照明升级为“有温度、有情绪、有氛围”的情感交互载体,完美契合当下行业“情感化交互”的核心发展诉求。
下图为背景适配展示:
图2 原图片 | 解析后展示效果
图3 原图片 | 解析后展示效果

图4 原图片 | 解析后展示效果
通过对比原图与车内实际展示效果可见,系统可精准解析图片背景主题色,并将其转化为车内氛围情绪表达,实现车内空间与图片画面的精准视觉呼应。星空顶、门把手氛围灯及脚踏氛围灯同步联动,形成空间与图片的细腻色彩对照,进一步提升整车沉浸式氛围体验,为用户营造兼具仪式感与氛围感的乘车环境。
艾为电子聚焦车内动态光影交互场景,推出扶手及扬声器氛围灯解决方案,以细节设计彰显座舱质感,以智能联动提升驾乘体验,具体场景方案如下:
1. 侧边门氛围灯:
采用“光源投射+反射”的创新设计,有效避免直射光的刺眼感,光线更柔和、更具层次感,营造出环抱式座舱氛围;同时支持音乐律动变色功能,可实时捕捉音乐节奏,同步切换色彩与明暗,将听觉享受转化为视觉互动,打造沉浸式驾乘体验。
图5 汽车扶手方案展示
2. 扬声器氛围灯:
打破“扬声器仅负责发声”的固有认知,将氛围灯与扬声器本体巧妙融合,不仅丰富了座舱视觉层次,更让原本低调的扬声器成为座舱视觉亮点,直接提升内饰精致度与整车高级感。

图6 汽车扬声器氛围灯方案展示
针对上述两个场景,艾为电子配套两大核心技术支撑方案,可精准适配不同车型及场景需求。
单路最大驱动能力可达60mA,支持分时复用,具备低EMI、无啸叫、低温升的核心优势,已通过AEC-Q100 Grade1等多项车规认证;配套完整SDK,包含温度补偿、颜色校准功能,可有效简化开发流程、降低开发成本,适配侧边门、中控等单灯应用场景。

图7 单灯头LIN方案
支持LIN通讯,支持多颗 LED Driver 组合显示,AW21036QPY-Q1单芯片支持驱动12颗RGB,单个I2C总线可支持48颗RGB灯珠,每颗LED最大支持50mA驱动电流,总体方案低EMI、无啸叫;提供声光律动算法,温度补偿,颜色校准算法。

图8 动态氛围灯方案
车载灯光的仪式感,藏在每一个细节方寸之间。本次ALE车展上,艾为电子展示的Logo灯、晶透门把手灯、脚踏迎宾灯解决方案,以多维光影联动设计,升级座舱细节质感,实现仪式感与实用性的双重提升。
图9 LOGO灯方案展示

图10 晶透门把手灯方案展示

图11 脚踏迎宾灯方案展示

图12 艾为推荐方案
艾为针对上述场景推出专属适配方案,采用AW23004QNR-Q1芯片,单路最大驱动能力为60mA,在12V供电场景下可串联3颗LED(可根据LED正向节压动态调整);采用“3串3并”拓扑结构,串联设计确保电流一致性,并联设计实现电流分流,使单颗LED工作电流稳定在20mA,兼顾亮度与功耗的平衡。
该方案具备高度灵活性,可通过调整灯珠串并联组合,扩展LED数量以满足更丰富的光效需求,广泛适配Logo灯、迎宾脚踏灯等单色大电流应用场景,让用户每一次上下车都充满仪式感,为高端车型打造专属光影标识。
作为中国数模领域的龙头企业,艾为电子拥有丰富的呼吸灯驱动芯片产品家族。本次ALE车展上,艾为同步展示了全系列车规级驱动芯片,为各类车载氛围灯方案提供坚实的技术支撑。无论是3路还是216路LED配置,该系列芯片均能稳定保持卓越的降噪性能,可覆盖多元化场景设计诉求;同时,所有芯片均通过车规级认证,完全契合汽车电子高可靠性、高稳定性的核心要求。
为便于行业同仁精准选型,高效解决方案落地过程中的芯片适配难题,以下附上产品选型表,供各位参考:
本次ALE车展的圆满落幕,为艾为电子搭建了展示技术成果、对接行业资源的重要平台。此次参展,艾为电子不仅全面展示了全场景车载灯光解决方案的创新成果,更传递出以国产芯片赋能汽车产业高质量发展的坚定决心。
目前,艾为电子的车载灯光解决方案已广泛应用于比亚迪、鸿蒙智行、小米等国内主流车企及头部Tier 1供应商,多款核心产品成功入编《2025中国汽车芯片供给手册》。未来,艾为电子将持续深耕汽车电子领域,打造更具竞争力的“中国芯”解决方案,推动智能车灯行业迈入情感化、智能化全新发展阶段,助力中国汽车产业在全球智能化浪潮中实现弯道超车。