交叉参考搜索
登录/注册
中文
中文
EN
产品中心
音频 >
触觉反馈 >
马达驱动 >
自动对焦&光学防抖 >
电源管理 >
信号链 >
射频前端 >
智能传感器 >
算法 >
新产品
EOL产品替代
交叉参考搜索
音频
音频处理器
AI语音处理芯片[NPU]
音频编解码器
音频编解码器
音频ADCs
车载音频功放
数字车载功放
模拟车载功放
中大功率音频功放
数字中大功率
模拟中大功率
模拟音频功放
AB类
D类
K类
模拟智能K类
数字音频功放
数字智能K类
应用中心
消费电子 >
工业互联 >
汽车 >
消费电子
手机
可穿戴设备
平板电脑
音箱类
个人电脑
工业互联
Camera模组
移动支付
无线模块
智能硬件
电竞设备
服务器
电动工具
机器人
家电
三表
办公设备
网络通讯
光模块
测试与测量
工业自动化
泛能源
电池Pack
安防
医疗电子
两轮骑行
汽车
智能座舱
高级驾驶员辅助系统(ADAS)
车身电子和照明
技术与支持
应用与技术文章
新品发布
应用方案
技术贴
awinic inside
封装信息
寻找封装
SMT和封装应用手册
依照封装查找产品
支持工单
FAQ
AAA™技术论坛
交叉参考搜索
License申请
质量和可靠性
管理体系
质量方针
体系认证与认可
可靠性与失效分析
实验中心介绍
产品可靠性
失效分析
产品信息说明
产品变更通知
产品EOL说明
产品保质期声明
社会责任
绿色生产
不使用冲突矿产
关于艾为
认识艾为
艾为简介
艾为之美
艾为历程
授权经销商
投资者关系
艾为电子上交所公告
投资者联系
公司公告
新闻资讯
艾为大事件
多彩艾为
关注我们
联系我们
除名查询
意见反馈
联系我们
艾为商城
视频专区
加入我们
中文
产品中心
·
音频
音频处理器
AI语音处理芯片[NPU]
音频编解码器
音频编解码器
音频ADCs
车载音频功放
数字车载功放
模拟车载功放
中大功率音频功放
数字中大功率
模拟中大功率
模拟音频功放
AB类
D类
K类
模拟智能K类
数字音频功放
数字智能K类
·
触觉反馈
触觉反馈驱动
升压马达驱动
免电感升压马达驱动
常压马达驱动
·
马达驱动
压电驱动
压电驱动
直流电机驱动
有刷直流电机驱动
步进电机驱动
步进电机驱动
·
自动对焦&光学防抖
自动对焦&光学防抖
闭环对焦驱动
开环对焦驱动
光学防抖驱动
·
电源管理
过流保护
低压限流保护IC
高压限流保护IC
微控制器
微控制器
呼吸灯驱动
直驱型呼吸灯驱动
矩阵型呼吸灯驱动
闪光灯/红外灯驱动
免电感闪光灯/红外灯驱动
电荷泵闪光灯/红外灯驱动
ToF激光二极管驱动
升压型闪光灯/红外灯驱动
红外灯驱动
背光LED驱动
串联背光
并联背光
显示电源芯片
LCD偏置电源
OLED显示电源
过压保护
无浪涌保护OVP
集成浪涌的OVP
双向隔离OVP
DC/DC转换器
Boost
Buck
升-降压型转换器
线性稳压器
高压LDO
中压LDO
低压LDO
多通道LDO
充电管理IC
开关充电IC
线性充电IC
功率开关
多通道负载开关
单通道负载开关
USB保护
Type-C保护
高速开关
USB 2.0 信号路径防护
PD Phy & 控制器
CC Logic
Plus TVS
Plus TVS
MOSFET
信号MOSFET
功率MOSFET
·
信号链
MIPI开关
MIPI开关
基准&复位芯片
电压基准
复位IC
比较器
高压比较器
高速比较器
模拟开关&多路复用器
模拟信号开关
放大器
仪表放大器
纳安运算放大器
通用运算放大器
电流检测放大器
精密运算放大器
接口芯片
I²C 电平转换器&缓冲器
I²C GPIO扩展
I²C 开关&多路复用器
逻辑 & 电平转换
电平转换
逻辑门
·
射频前端
蜂窝通信低噪声放大器
LNA bank
LTE LNA
5G LNA
无线连接低噪声放大器
Bluetooth/BLE LNA
GNSS LNA
FM LNA
射频开关
WiFi射频开关
UWB射频开关
Sub-7GHz射频开关
Sub-4GHz射频开关
天线调谐开关
SPxT天线调谐开关
x-SPST天线调谐开关
·
智能传感器
霍尔传感器
线性霍尔
霍尔锁存器
霍尔开关
电容检测控制器
电容检测AFE
电容检测SoC
前端检测控制器
模拟前端AFE
前端检测SoC
技术与支持
·
应用与技术文章
新品发布
应用方案
技术帖
awinic inside
·
FAQ
·
交叉参考搜索
·
质量
质量方针
体系证书
社会责任
产品可靠性
产品变更通知
产品EOL说明
产品保质期申明
·
封装信息
寻找封装
SMT和封装应用手册
依照封装查找产品
关于艾为
·
认识艾为
艾为简介
艾为之美
艾为历程
合作伙伴
·
投资者关系
艾为电子上交所公告
投资者联系
·
公司公告
·
新闻资讯
艾为大事件
多彩艾为
关注我们
·
联系我们
·
加入我们
·
除名查询
首页
>
产品中心
/
电源管理
音频
触觉反馈
马达驱动
自动对焦&光学防抖
电源管理
信号链
射频前端
智能传感器
/
MOSFET
/
功率MOSFET
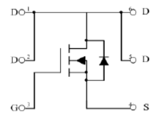
AWP402071NDNR
20V N-channel MOSFET
产品手册 :
在线预览 -
AWP402071NDNR-英语版
- 产品手册
购买类型
芯片购买
添加购物车
参考价格:
1-99
¥1.40
100-249
¥1.15
250-499
¥0.93
500-999
¥0.73
1000+
¥0.56
参考价格:
单价
¥0.00
产品描述
技术文档
产品详细信息
参数
封装 | 引脚 | 尺寸
特性
说明
Type
N
VDS (V)
20
VGS (V)
±12
VGS(th) typ.(V)
0.6
RDS(ON)@10V max.(mΩ)
/
RDS(ON)@4.5V max.(mΩ)
8
RDS(ON)@2.5V max.(mΩ)
11
ID (A)
15
Qg @10V (nC)
/
Temperature
-55℃~150℃
ESD
NO
Package (mm)
DFN 2X2-6L
DFN 2X2-6L
Trench Technology Power MOSFET Low RDS(ON) Low Gate Charge
VDS RDS(ON) Typ. ID 20V 5.80mΩ @ VGS = 4.5V 15A 7.30mΩ @ VGS = 2.5V
技术文档
类型
项目标题
语言
日期
产品手册
DS_AWP402071_EN_V1.0
英文
2026-04-15