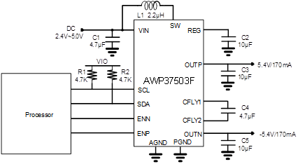
AWP37503FCSR

170mA Single Inductor - Dual Output Power Supply

参考价格:
  • 1-99¥5.49
  • 100-249¥4.50
  • 250-499¥3.63
  • 500-999¥2.86
  • 1000+¥2.20

产品详细信息

技术文档

类型
项目标题
语言
日期
产品手册 DS_AWP37503F_EN_V1.0 英文   2025-05-16
产品设计指南 AWP3750XX Hardware Design Guide 中文   2025-06-26

设计和开发

如需其他信息或资源,请查看下方列表,点击标题即可进入详情页面。