| Power Supply (Min) (V) |
2.7 |
| Power Supply (Max) (V) |
5.5 |
| Vout_POS (Min) (V) |
4 |
| Vout_POS (Max) (V) |
6 |
| Vout_NEG (Min) (V) |
-6 |
| Vout_NEG (Max) (V) |
-4 |
| Load Current_POS (mA) |
300 |
| Load Current_NEG (mA) |
100 |
| Temperature |
-40℃~85℃ |
| IO Level (V) |
1.8 |
| Package (mm) |
WLCSP 1.27X2.00-15B |
| WLCSP 1.27X2.00-15B(0.625) |
|
2.7V to 5.5V Input Voltage
Dual Regulated Output Using Single Inductor
Positive Output Voltage Range:
4.0V to 6.0V (100mV/Step)
Negative Output Voltage Range:
-6.0V to -4.0V (100mV/Step)
Maximum Output Current: 100mA
Outstanding Combined Efficiency
η > 80% at IOUT > 10 mA
η > 85% at IOUT > 40 mA
Outstanding Transient Response & Line Regulation
±1.5% Output Voltage Accuracy
Shut-Down Supply Current: 1uA
Under-Voltage Lock-Out and Thermal Shutdown
WLCSP 1.27mm×2.00mm×0.625mm-15B, 0.4mm Pitch Package
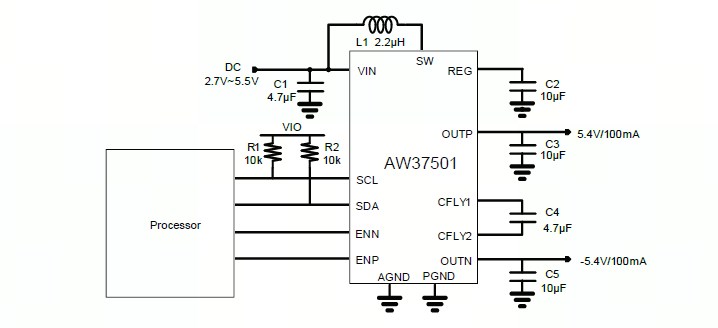
The AW37501 is designed to support positive /negative supply for driving TFT-LCD panels mainly in smartphones and tablets. The device employs a single inductor scheme to provide a small bill-of-material and smallest PCB solution size.
It integrates a step-up DC-DC converter for preceding supply. An architecture with LDO and negative charge pump (NCP) generates dual outputs at +5.4V (default) and -5.4V (default), whose voltages can be programmed via an I2C compatible interface.
The device offers excellent line and load regulation performances, as well as load transient. It features an outstanding efficiency that is greater than 80% when IOUT>10mA and 85% when IOUT>40mA. With its input voltage range of 2.7V to 5.5V, it can be powered by single-cell batteries (Li-Ion, Ni-Li, Li-Polymer).