
作者 |Jessie
什么是Type-C?
Type-C是一种USB接口,加上一些线缆的接线规范。它不描述任何特定的速度、能力或支持的数据协议,而是根据不同需求来选择不同的Type-C线缆。
在日常生活中有很多种接口,我们常见的USB接口有Type-A,Micro-B,Type-B以及越来越流行的Type-C。Type-A常用于PC上;Micro-B常用在安卓手机和一些便携的电子产品上;Type-B通常在USB设备上出现。以上这些接口都有一些不足,就是不支持正反插,第二就是接口太多很混乱,如果你带不同的电子设备,就需要配备不同类型的连接线。而Type-C接口它不仅可以正反插,相比其他类型的接口它可以承载更高的数据传输速度和电力传输,而且没有方向区别。
Type-C插头大小约为8.3mm×2.5mm,和其他接口一样支持USB标准的充电、数据传输、显示输出等功能。同时与它配套使用的USB数据线也更细,更轻便。

从左至右依次为:
Type-C、Micro-B、Type-B及Type-A
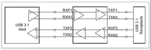
Type-C线缆采用的USB标准。可以是USB 2.0、3.0、3.1 Gen1或者3.1 Gen2。根据它使用的USB速度等级,它将有不同的最大速度。这意味着即使Type-C是最新的连接器,可能它的速度与普通的USB2.0线缆一样,只有480Mbps。当然,它也可能支持USB 3.1。

Type-C可以传输更快的速度(最高10Gbps)和更强悍的电力(最高100W)。Type-C还可以支持不同协议,叫做“备用模式”,目前有四个,DisplayPort,ThunderBolt,HDMI和MHL。Type-C接口的线缆根据不同的应用可以有不同的接法,可能支持也可能不支持这些协议,当然这些协议不一定会使用Type-C。DisplayPort和HDMI都有自己的接口,但是ThunderBolt3将专门使用Type-C。
Type-C 接口需要保护
从性能上看,USB Type-C几乎是“万能”的。在数据传输方面,它支持USB3.1规范;同时它也是电子设备的功率传输接口,基于最新的USB-PD协议,经由USB Type-C可传输最高100W的功率;此外,USB Type-C同时支持数据和音/视频信号的传输,堪称多面手;最后,在物理结构上USB Type-C支持无方向的正反插,身材也更纤细。
虽然USB Type-C很强大,但产品可靠性的问题也不容忽视,使用中由于热插拔、短路、ESD、故障设备和用户误操作引发的风险,需要有可靠的电路保护措施来化解。

USB Type-C连接器中的各引脚极为靠近,相邻引脚的间距只有0.25mm,仅是Type A连接器相邻引脚间距的四分之一,CC引脚与SBU引脚相邻于总线电源VBUS。根据USB PD协议,VBUS最高充电电压可以到20V。连接器的机械扭转和滑动可能导致VBUS与CC和SBU引脚短路。此外,存在的碎屑和水气也可能导致VBUS引脚与CC和SBU引脚短路。所以这些引脚也会承受和VBUS一样的高压。如果不进行过压保护,下游电路也会受到最大20 V的高压。所以除ESD保护之外,连接器还需要过电压保护。通过在CC和SBU引脚上提供过压保护可以使CC和SBU引脚耐受和VBUS一样的高压,同时不会干扰正常工作。虽然TX/RX差分对组也和VBUS邻近,因为信号采用电容耦合的方式进行传输,DC源电压不会传递到TX/RX端,一般不采用过压保护,而是外接TVS管保护。

此外,D+/D-虽然不是直接和VBUS相邻,但也有可能发生短路,只是概率相比于CC和SBU低些,所以D+/D-也需要过压保护。以上引脚除了过压保护,还需采用IEC 61000-4-2系统级ESD保护。
就在近期,谷歌推出了针对所有四代Pixel智能手机的Android 10操作系统。XDA开发人员通过Android 10的源代码意外发现该操作系统版本具备USB端口污染和过热检测的新功能。这两项新功能既能保护数据传输的可靠性,也能保证USB端口充电时的安全性,相当地实用。
随着USB Type-C商用进程的加速,其强大的功能逐渐凸显。在享受USB Type-C强大功能性的同时,市场对兼顾其可靠性和安全性的保护方案需求也逐渐增多。艾为也推出了自己的Type-C接口保护方案。
艾为的Type-C接口保护方案
1.过压保护
将过压保护芯片(OVP)串联放置在管脚线路上。当在这些线路上检测到高于OVP阈值的电压时,其内部高压功率开关管断开,并且将系统的其余部分与连接器上存在的高压状态隔离。
CC和SBU通道过压保护方案是类似的,但通道功能有差异,需要分别处理。
CC通道是Type-C的配置通道,它的作用有检测正反插,检测USB连接,识别可以提供多大的电压和电流,USB设备与VBUS的连接建立与管理等。CC通道上的功率开关管是由电池供电的,在供电正常的情况下,串接在CC通道上的功率开关管导通,就像一根导线,不会影响CC通道的配置。但供电不足时,功率开关管是断开的,CC通道检测不到下游电路中的下拉电阻RD,USB设备与VBUS断开连接,电池就不能充电,电力不足,功率开关也就不能导通,VBUS和USB设备连接的条件是源设备能检测到5.1K的下拉电阻RD,为了解决过压保护开关管断开时仍然能建立USB设备与VBUS的连接,并持续给电池充电,在功率开关管前面加一个下拉电阻RD。这个RD电阻在功率开关管断开的时候有效,输入串接RD到地;当开关管导通时,RD无效,断开输入端到地的连接。
SBU通道为了兼容USB2.0的D+/D-通道,带宽设计为800MHz以上,这就要求降低通道上的寄生电容。通道上的寄生电容主要来自静电保护的ESD管和开关管。
艾为设计的小电容ESD很好地降低了SBU通道上的寄生电容,是SBU通道带宽做高的关键。同时还优化了开关通道走线和PAD布局,进一步减小寄生电容。
实际测试结果表明SBU通道能很好地传输USB2.0数据,下图是USB2.0眼图测试结果。

2.浪涌保护
由于短路、热插拔或设备故障都有可能引起浪涌。所以Type-C接口的每个引脚都需要有TVS保护,内置或者外置。内置的TVS可以省去外部的贴片TVS,节省了PCB板面积,降低了客户选择高压TVS的难度。TVS管可以泄放浪涌能量,降低浪涌电压,有效保护下游电路。

TVS的启动电压必须大于OVP功率开关管的DC工作电压,泄放浪涌的嵌位电压小于开关管击穿电压;浪涌管的尺寸足够大可以泄放能量而不发生热烧毁。

浪涌保护的原理是接口发生浪涌,浪涌电压大于浪涌管的启动电压,TVS管开始泄放能量,接口端电压被嵌住,泄放的能量越大,电流在通路上由于寄生电阻产生的压降越大,嵌位电压也被抬高,嵌位电压不能大于OVP开关的击穿电压。发生浪涌时,接口端也会发生过压,这时OVP开关管断开,保护下游电路不受损坏,OVP开关管过压断开的速度越快,OVP开关管输出的残压越低,越能保护下游电路。
艾为的接口保护产品
目前艾为针对Type-C接口推出了系列化的保护产品,包括VBUS,CC,SBU和D+/D-等,具体如下:

保护IC的应用图如下,其中CC端口的保护既可以选用AW35601,也可以选用AW35611。

联系我们&更多资讯
如需了解更多产品信息
请拨021-54271166
或发送邮件至Sales@awinic.com.cn
进行咨询
点击下方小程序,查看所有岗位详情!