【新品发布】艾为推出超高精度低噪声轨到轨运算放大器AWS796X2
2025-08-04
在万物互联的智能时代,电子设备追求更纤薄、更强劲的算力;新能源汽车的传感器与控制系统,对信号精度要求近乎苛刻;高端科研仪器,更是将测量的边界不断推向极致。这一切的核心动力源,都离不开信号链上的关键——运算放大器。然而,传统运放正面临前所未有的挑战:微弱信号如何在高噪声环境中清晰传递?高速数据流如何确保零失真?极端温度下性能如何保持稳定?信息洪流奔涌向前,设备的“神经末梢”需要更精密的“信号指挥官”。
艾为推出的AWS796X2系列超高精度低噪声CMOS运算放大器包括AWS79632和AWS79652两个系列产品,拥有超低输入失调电压、低电压工作、轨到轨输入和输出、出色的带宽和压摆率以及超低失真度的优异性能。该运算放大器的单位增益稳定,并具有超低的输入偏置电流,非常适合高精度信号采样、传感器等应用。
AWS796X2主要参数
宽工作电压范围:1.8V~5.5V
低输入失调电压:8.5µV(最大值)
压摆率:AWS79632: 2.5V/µs
AWS79652: 5.5V/µs
低输入偏置电流:1pA
轨到轨输入和输出
低静态电流:AWS79632: 600µA per channel
AWS79652: 1100µA per channel
增益带宽积:AWS79632: 4MHz
AWS79652: 6MHz
灌电流和源电流能力:AWS79632: ±65mA
AWS79652: ±87mA
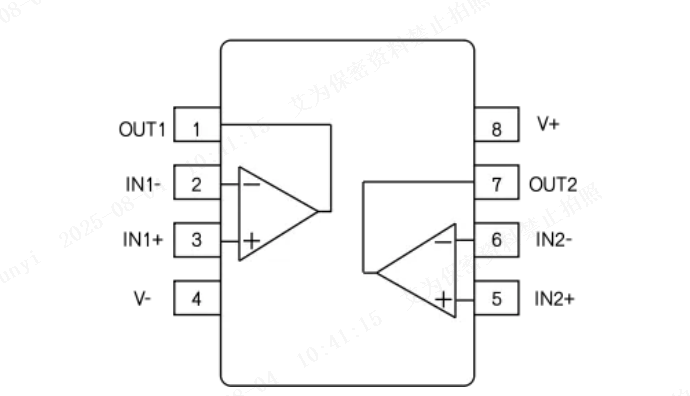
图1 AWS796X2封装
AWS796X2主要应用
高精度信号调理
医疗器械
过程控制系统
电池供电系统
传感器应用
手持式测试设备
ADC驱动器
温度测量
精密电压基准缓冲器
超低输入失调电压
输入失调电压VOS是为了让运放的输出为零,需要额外在输入端补偿的电压值,VOS大小影响整个系统输出的精度与误差,AWS796X2输入失调电压最大值8.5uV,非常适合高精度应用。
图2 输出电压随输入电压变化曲线
超低的等效输入噪声
等效输入噪声又称为1/f噪声, 噪声是一种非周期性信号,无法校准,因此,对于需要高精度的应用,需要考虑噪声。1/f噪声是低频下的主要噪声因素,在电路增益较大情况下会导致显著的输出电压偏移, 由于AWS796X2斩波器架构,可以抑制1/f噪声, 因此,该芯片成为直流高精度应用的理想选择。在噪声0.1-10Hz时间内,0.1Hz至10 Hz放大器电压噪声仅为250nVpp@VCC=5V,下图可以AWS796X2用作ADC数据采集时输出值比较稳定。
图3 AWS796X2用作ADC数据采集时输出值较稳定
艾为电子专注于高性能数模混合信号、电源管理、信号链等IC设计,掌握了核心的芯片设计技术,艾为运算放大器产品族会陆续推出多款拥有高压、高精度、零漂移等性能的优质产品,致力于为客户提供全面的产品及解决方案。
Awinic运放产品选型表

运放产品选型表1

运放产品选型表2
关于艾为
中国数模龙头
客户需求是艾为存在的唯一理由 | 高素质的团队是艾为的最大财富
上海艾为电子技术股份有限公司创立于2008年,专注于高性能数模混合信号、电源管理、信号链等IC设计,2021年8月在上海证券交易所科创板成功上市,股票代码为688798。
艾为电子累计拥有42种产品子类、产品型号总计2000多款,产品的性能和品质已达到业内领先水平。公司产品广泛应用于消费电子、工业互联和汽车市场,包含智能手机、平板电脑、笔记本电脑、智能穿戴、智能音箱、智能家电、移动支付、物联网、AI教育、智能玩具、服务器、新能源、机器人、无人机、安防、汽车电子等领域。
2024年公司研发投入5.1亿人民币,占营收比例近17%,技术人员占比超74%,累计取得国内外专利649项,软件著作权125项,集成电路布图登记595项。
艾为电子获评国家企业技术中心、音频制造业单项冠军企业、国家知识产权优势企业,“国家高新区上市公司创新百强榜”,上海市创新型企业总部、上海市质量金奖、上海市级设计创新中心、上海市智能音频芯片技术创新中心、上海硬核科技企业TOP100榜单等资质荣誉。