首页 > 技术与支持 > 应用与技术文章 > awinic inside

【awinic inside】艾为芯助力Zebra移动数据终端,全面应对智能物流场景

2024-10-18

斑马技术公司(Zebra Technologies,以下简称Zebra),作为专业打印解决方案的全球领先供应商,提供打印机、RFID、移动数据终端、工业平板电脑和机器视觉等硬件方案,其中移动数据终端因智慧物流、仓储的需求趋势而被广泛采用。

随着应用需求和系统方案的演进,移动数据终端也提出了越来越复杂的方案需求,例如:
· 音效:大音量、喇叭保护(防烧)算法
· 屏幕显示:6英寸高亮度、高精度均匀背光显示
· 充电保护:支持Pogo pin + Type-C接口,大电流、端口隔离保护方案
· GPIO扩展:功能模块增加,平台GPIO扩展需求

· 充电指示灯:电池过放情况下,即时指示充电状态


图1 Zebra移动数据终端产品示意图

艾为电子在模拟芯片领域深耕多年,为移动数据终端等行业应用开发了一系列产品,针对应用需求特点也提供了相应方案。艾为移动数据终端应用框图如下:

图2 艾为电子移动数据终端(PDA)整体方案



音效
大音量、喇叭保护(防烧)算法

商超、仓储等场景通常空间较大且略嘈杂,有时设备被放置在离使用者较远的地方,或扩音外放应用,都需要大音量播放音频,这对原有的喇叭规格产生挑战。


艾为电子数字智能K类支持最大输出5.3W@VBAT=4.2V(8Ω& THD=1%),并集成自主研发的awinicSKTune®音效算法,不仅提供喇叭保护功能,在充分发挥喇叭性能的同时防止其烧毁,而且开发了人声加强等特色模块,助力嘈杂环境下清晰人声通话等需求。
图3 艾为电子数字智能K类应用图



- 艾为电子数字智能K类特性 -


· 集成awinicSKTune®音效算法
· 喇叭保护功能
· Smart BOOST 架构,效率高达 84%
· RF噪声抑制,消除TDD噪声
· Low noise: 14μV
· THD+N: 0.01%
· I²S/TDM接口
· 支持超声应用(TDM/I²S速率采用96kHz)
· VDD范围: 2.9V~5.5V,DVDD范围: 1.65V~1.95V
· 芯片多重保护:短路、过温、欠压和过压保护等
· 封装:
  WLCSP-42B 2.60mm×3.13mm×0.543mm

    充电指示灯    
 电池过放情况下,即时指示充电状态


长期不用或长途运输等场景会导致电池深度过放,开始充电后往往需要几分钟才能重新启动系统、通过屏幕给到用户反馈,这在繁忙的物流行业有时会带来不便。

艾为充电指示灯驱动可通过检测VBUS电压在充电开始后立刻点亮LED、给出指示状态,且指示灯常亮/呼吸模式可选。即时反馈让用户充电无忧,放心处理其他工作。
图4 艾为电子呼吸灯驱动应用图


- 艾为电子呼吸灯驱动特性 -



· 3通道恒流LED驱动
· 电流等级:4档全局电流、16档直流配置等级、256档PWM占空比等级
· 自主呼吸模式,降低主控功耗
· 支持电池过放时的快速充电指示:
  - CHRG引脚拉高后立刻使能LED1通道电流输出
  - AW2016: 呼吸模式,LED1呼吸周期4.5s,最大呼吸电流6mA
  - AW2016A: 常亮模式,LED1输出电流3mA
· LED电流精度 & 匹配度: ±3%
· 输入电压范围:2.5V~5.5V
· 封装:
  QFN-8L 1.2mm×1.2mm×0.37mm

屏幕显示
6英寸高亮度、高精度均匀背光显示


跟随信息时代的发展步伐,新一代移动数据终端普遍采用6英寸及以上的屏幕,便于显示越来越丰富的信息。物流从业者常身处户外,高亮度的背光显示是移动数据终端提供顺畅交互的必备功能。

艾为电子3通道高精度串联背光驱动,支持3p10s(OVP可配,最高41.5V)、单路29.6mA最大电流,助力屏幕达到更高亮度。同时,AW99703具备±3%高精度和±1%高匹配度,确保屏幕各处显示亮度一致。

图5 艾为电子背光驱动应用图



- 艾为电子背光驱动特性 -


· 电流匹配度:±1%
· 电流精度:±3%
· 效率高达91%
· LED驱动电流:29.6mA/string(背光模式) ,79.9mA/string(Flash模式)
· 调光模式可选:I²C、PWM
· 可配置OVP阈值 (17.5V, 24V, 31V, 38V, 41.5V)
· LED开路 / 短路保护
· 封装:
  WLCSP-12B 1.64mm×1.24mm×0.638mm_max


     充电保护    

支持Pogo pin + Type-C接口
大电流、端口隔离保护方案

大电流充电、Pogo pin + Type-C双充电端口是当前移动数据终端充电方案的两大诉求。针对这一应用,艾为背靠背、“真隔离”OVP 是行业领先的端口保护解决方案。

图6 艾为电子OVP应用图



- 艾为电子OVP特性 -

· 输入电压范围:3.1V~28V
· 5A 持续过流能力
· 低RDSON:20mΩ(典型值)
· 可配置OVP阈值,OVLO引脚外部电阻配置
· 快速OVP关断,响应时间:50ns(典型值)
· 浪涌保护:±100V(IEC61000-4-5)
· ESD保护:±8kV(IEC 61000-4-2 接触)
· 多重保护:反向电流保护(RCP)、过温保护(OTP)、UVLO
· 封装:
  WLCSP-15B 2.54mm×1.49mm×0.555mm


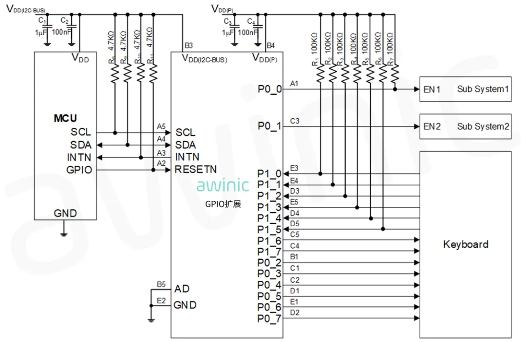
    GPIO扩展    

功能模块增加,平台GPIO扩展需求


艾为电子GPIO扩展芯片系列支持6~16通道GPIO扩展,助力移动数据终端系统方案实现扫描模块、无线通信等功能模块的增加。


图7 艾为电子GPIO扩展应用图


- 艾为电子GPIO扩展特性 -


· 16通道GPIO扩展,每个通道可独立配置为输入/输出
· 双电源引脚,支持VDD(P)、VDD(I²C-BUS)采用不同电压
· 1MHz I²C接口,AD引脚可配地址
· VDD范围:1.65V~5.5V
· 封装:
  BGA-24B 3.0mm×3.0mm×0.86mm


艾为电子深耕模拟半导体16年,累计发布1300余款物料,覆盖“声光电射手”42个产品子类。未来艾为电子将围绕工业应用场景结合自身优势开发更多高性能优质芯片,助力工业5.0、工业自动化的实现和发展。


    关于斑马技术    
Zebra Technologies

Zebra1969年成立于美国伊利诺伊州,主要从事票据、条码标签打印机、RFID智慧标签打印机、固定或手持读码器,1991年在纳斯达克上市(股票代码:ZBRA)。Zebra始终恪守 “智领前沿” 的承诺,致力于帮助零售及电子商务、制造、运输与物流、医疗保健和其他行业领域的一线员工提高效能优势。

Zebra在全世界170多个国家或地区,拥有10,000多家合作伙伴,针对不同行业提供定制化、端到端的解决方案,智能连接人员、资产和数据,帮助客户制定业务关键型决策。Zebra拥有市场领先的解决方案,能够助力提升购物体验,完善追踪和管理库存,提高供应链效率和医患交流效率。