首页 > 技术与支持 > 应用与技术文章 > 新品发布

从iPhone15“浪子回头”全面转向Type-C端口,看Type-C口携PD协议在消费类和工业领域普及趋势

2023-10-20

由于Type-C接口自身的强大性能和便利性,以及欧洲议会和理事会谈判达成的协议:“从2024年秋季开始,所有在欧盟销售的便携电子产品,包括手机、平板电脑、耳机等,都需统一配备USB-C(即Type-C)充电接口”。新一代iPhone全面放弃Lightning接口,采用Type-C接口,同时低端手机舍弃Micro USB接口,低端笔记本舍弃DC接口,Type-C接口终于迎来在手机、平板及笔记本等消费领域的大一统时代。

Type-C接口这第一名到底有多强?  PD协议又是什么? 


完全体的Type-C接口拥有24个引脚,采用镜像排布的功能定义,其具备以下特性:

配合CC引脚的插入检测功能,实现应用中的正反盲插
支持USB4.0和雷电协议,带宽可达40Gbps
拥有4对VBUS和GND引脚,支持PD3.1协议最大功率为48V5A(240W)
支持各种附件模式(DP视讯传输、模拟音频传输)及功率和数据角色切换功能(PR_SWAP、DR_SWAP)

在数据传输层面,消费者对USB协议都不陌生,USB协议存在于我们每个人的日常生活中,已经实现全球范围内的有线通讯领域大一统,其最新的USB4.0版本更是将带宽拉升至恐怖的40Gbps,而快充领域的PD协议和USB协议均来自于USB-IF协会。

USB-PD协议,英文全称为USB Power Delivery,自从2012年由USB标准化组织USB-IF协会推出以来,经过10余年时间的发展与更新,已经由最初的1.0版本、2.0版本、3.0版本发展到了现在的PD3.1,最高支持48V 5A(240W)档位,并拥有20mV电压步进能力,手机大功率充电功能采用的电荷泵架构因此有了用武之地。

48V的档位证明PD协议的野心绝不止停留在手机、平板、笔电等数码产品,目前PD协议已渗透至户外储能等应用场景,例如便携式音响、电动工具、筋膜枪、无人机、二轮平衡车。

以下是标准的PD协议逻辑层交互图(问答式通讯):




如上图所示,在一问一答中,PD协议就把供电端(Source)的能力广播给了受电端口(Sink),并调整VBUS电压到受电端的请求值,这里展示的是固定电压请求,最新的PPS充电亦如此,只是有一个10秒钟通讯一次的心跳包维持动作,防止意外发生。

USB-IF协会为了保证所有市面上支持PD协议的设备彼此兼容,给用户带来极大便利性的同时减少资源消耗,实现全球Type-C口设备均可以彼此互联的愿景,官方设置了一个CTS认证项目,只有通过该项测试的产品才会被授予官方TID识别号,因此拥有TID号码的厂家生产出来的芯片被认为具备官方认可的兼容性和鲁棒性,欧盟基于该认证方法同样推出了IEC 62680-1-3认证,将于2024年12月28日起,在所有欧盟成员国强制实施。

艾为为了满足大家对各个领域日益增长的PD快充需求,推出通过USB-IF协会认证的PD PHY芯片AW35615系列,其在USB-IF协会官网展示信息如下:

主要指标展示如下:

支持USB PD2.0、PD3.0及PPS
USB-IF  TID:8339
可以通过I²C将芯片配置为SRC、SNK或者DRP
集成了可配置OCP或OTP的VCONN开关,用于给E-Mark供电
CC引脚最高耐压值:24V
支持死电池模式,未通电时作为SNK
支持VBUS检测与放电控制功能,可以避免VBUS电腐蚀老化损耗
支持Wake低功耗检测模式
WLCSP 1.40mm×1.36mm-9B 封装
WBQFN 2.50mm×2.50mm-14L 封装



AW35615系列特别之处

芯片不仅本体通过了USB-IF协会物理层认证,同时自主开发的完整PD协议层代码也通过了官方认证,并为客户实现了全部策略层接口,向所有客户提供各平台(从高通、MTK、展讯到MCU平台)的完整解决方案。

AW35615拥有两种不同封装的产品以兼容各类应用场合,其主要参数如下:



讲到这里,相信大家都已看出PD协议包含两个重要部分:Type-C检测和PD报文通讯,其中Type-C检测用于电流档位能力和角色识别,PD报文通讯主要负责调整VBUS电压和角色转换通讯。那么在不需要调整VBUS电压的应用场合,比如POS机、玩具等,我们可以选用更经济的芯片,仅支持Type-C检测功能,即:CC Logic。

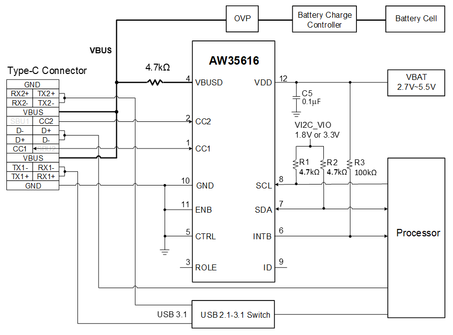
艾为针对该类型应用场景,推出AW35616系列芯片,其主要功能特点如下:

Type-C 1.2协议
支持两种控制方式:PIN模式和I²C模式
支持Type-C模式配置:
- Host Only – SRC(DFP)
- Device Only – SNK(UFP)
- Dual Role Port – DRP
DRP模式支持Try.SNK和Try.SRC设置
支持三种供电电流广播:Default, 1.5A和3.0A
CC通道功能:
- 设备连接断开检测
- Cable连接方向识别
- 角色识别
支持死电池功能(芯片未供电时,表现为SNK模式)
高精度的Rd下拉电阻以及SRC上拉电流源
CC1/2耐压最高支持24V电压,VBUS耐压最高支持28V电压
工作电压范围为:2.7V~5.5V
WBQFN 1.60mm×1.60mm-12L 封装


该芯片不但完全符合USB-IF协会认证的 Type-C Functional Test部分,还提供了隐藏寄存器,用于让客户选择是否打开对国内特殊线材的支持。

目前艾为仍然在快充领域持续开拓,后续也会有集成更丰富的芯片面世,来应对更多的应用场景,满足客户的不同需求。