AW36612采用小型化DFN2×2-6L封装,具备高效率和高功率密度的特性,有助于在小空间提供稳定的输出,保证系统的可靠性和稳定性。
01 高效率、高功率密度
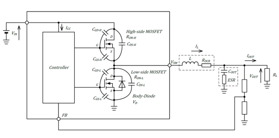
降压电路损耗中,功率管的开关损耗与工作频率及通断时的电压电流成正比,通断时电流越大损耗越大,工作频率越高损耗越大。传统的降压型LED驱动由于功率管的寄生参数、开关损耗、热耗散等原因,工作频率被限制在1MHz以下。
艾为通过以下三方面的设计解决了高工作频率受限的问题,使AW36612在具备1.5MHz高工作频率的同时,保证了高效率和高功率密度的特性。
1)AW36612使用自适应电流过零检测(Zero-crossing Detection)技术,实现零电流时刻通断,极大地降低开关损耗。
2)AW36612针对高频应用,对功率管的面积分配进行了优化,对功率管的寄生参数与导通阻抗进行平衡,提升轻载中载的效率。
3)AW36612采用DFN2×2、具有底部散热PAD的封装,相比SOT23,SOP的封装具备更小的热阻系数。
AW36612峰值效率高达93.57%,轻载中载转换效率提升约3%~5%。
AW36612相较于传统异步整流的驱动芯片,外置续流二极管,将续流二极管换成低阻抗的功率管并集成到芯片内部,可以有效减小电源的面积,提升功率密度。
02 灵活调光方式,更多应用场景
AW36612支持灵活的调光方法。AW36612DNR实现PWM调光,在PWM调光模式下,LED将根据PWM占空比周期性地打开和关闭。AW36612ADNR 通过改变与PWM信号占空比(5%至100%的范围内)成比例的内部基准电压,来实现模拟调光。用户可依据场景选择合适的产品,如面部识别IR补光选择模拟调光功能AW36612ADNR。
PWM dimming 与Analog dimming对比
03 全面的保护
AW36612具备全面的保护功能——具有LED开路保护,LED+对GND短路保护,过热保护,检测电阻开路和短路保护等功能,能有效地保护芯片在异常工作状况下不被损坏。

对应图中C、D区间和E、F区间,由功率管开关过程中的米勒平台导致电压、电流交叠而产生。
02 电流过零检测(Zero-crossing Detection)
过零检测是指检测一个交流周期中自然出现的“过零”点,并产生对应的电信号输出。
03 热阻系数
热阻系数亦称为热阻,是导热材料对热流传导的阻碍能力,导热材料的热阻系数越大,则其对热传导的阻碍能力越强。